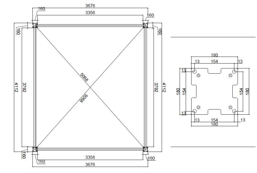
Rojaplast bioklimatikus pergola APEX 3,6x4 méter, alumínium - szabadon álló - szürke antracit
5
1 422 900 Ft
1 351 755 Ft